- +1
你知道可爱的血小板哪来的吗?| 工作细胞
原创 bio kiwi biokiwi 收录于话题#工作细胞1#生命科学24#科普23#血小板1#巨核细胞1
“前言:久违的《工作细胞》动画终于出第二季了!说起来在 biokiwi 刚刚创办的时候,恰好是《工作细胞》第一季播出的时间,我们也抓紧更新了一系列科普的文章(可点击下方链接回顾),这次我们也是卯足了劲,来给大家讲讲新一季《工作细胞》背后有趣的生命科学知识。
”
正如标题和前言提到的,我们今天的文章和刚刚播出的动画《工作细胞》第二季有关。新播出的动画讲述了一个叫做“戴反帽亲”的血小板不断成长的故事;
还出现了一个全新的角色,巨核细胞;
那么问题来了:巨核细胞和血小板是一种什么样的关系呢?血小板会经过什么样的成长历程呢?我们就来给大家扒一扒动画背后的生命科学故事吧!基于第一季的内容,我们也写过一篇关于血小板的介绍,大家感兴趣可以点开图片看看
血小板的来源:巨核细胞
关于可爱的血小板的起源,就要从动画中出现的一个新角色说起了:一幅社会老大姐形象的巨核细胞。
动画中的巨核细胞俨然一副师父的形象又是督促又是奖励
其实巨核细胞本身的来头也值得仔细讲讲:它是经历复杂的形成过程,由造血干细胞分化而成的。高中学过的生物知识告诉我们,人类是一种二倍体生物,有23 x 2 = 46条染色体,并且通过有规律的复制和分裂,我们可以把细胞内的染色体维持在一个稳定的数目。
漫画中关于各种工作细胞们的起源,可以看到巨核细胞和血小板的关系 | 图源:工作细胞漫画但是巨核细胞就比较特殊了,它的染色体会发生复制,但是细胞不会分裂,所以它的染色体数目会快速增长:46条、92条、192条、384条,甚至是768条、1536条,这为血小板的产生提供了充足的物质来源。
同时也就导致了它这个听起来很大的名字,巨核细胞,而实际上它确实很大——它是骨髓中最大的细胞,也是数量最少的那一种,仅占全部细胞的0.01%。
逐渐增大的体积,也是巨核细胞在产生血小板时的“蓄力”。巨核细胞的细胞膜会逐渐内折,形成内陷膜系统(invaginated membrane system, IMS,以前则被称为分界膜系统DMS),大概就是在巨大的细胞里形成了一个个小隔间,而这些小隔间在未来就会成为血小板的样子。
电子显微镜下的巨核细胞(A)以及内陷膜系统(B中的IMS) | 图源:Machlus K R, Italiano J E.形成内陷膜后,巨核细胞就会行动起来了:它们开始向骨髓的血窦壁靠近,同时细胞里的微管蛋白也会开始发挥作用,就好像支帐篷的骨架一样,在巨核细胞的膜表面形成突起,一定程度后与巨核细胞分离,也就形成了前血小板(preplatelet)。
(脑补一下,动画里巨核细胞身上蹦出一个个血小板的样子,好家伙)
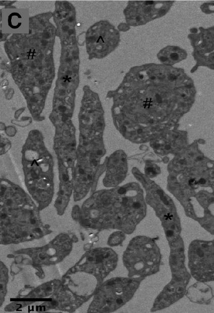
电子显微镜下的前血小板(#和*标注)与血小板(^标注) | 图源:Machlus K R, Italiano J E.新生成的前血小板会立刻穿过血窦壁进入血管内,其内的微管还会继续延伸,促使它们再次分裂,形成我们熟悉的血小板。
来我们回顾一下刚刚讲的血小板的起源 | 图片翻译自:Machlus K R, Italiano J E.血小板“短暂的一生”
经过这么一番折腾,血小板也总算是形成了可以参与凝血的工作了。但是动画中出现了一段有趣的剧情:不是那么机灵的“戴反帽亲”,因为觉得自己不是个很合格的血小板,在血管中努力锻炼自己。
那么血小板都这么费劲才形成,理论上应该是一个成熟的形态了,它们还会这样“锻炼”自己吗?答案是会的。
我们前面说到前血小板和血小板的形成,研究发现它们的分裂非常需要微管的作用,同时可能需要流动到肺部、或者脾脏才能形成成熟的血小板。这个过程可能就是动画原作者构想的血小板要通过锻炼成熟的过程了(不过这个地点一般不会在头部的血管附近)。
显微镜下血小板分裂的过程 | 图源:Schwertz H, et al.此外,也有研究发现不同的血小板会产生不同的大小和形态,而更大的血小板就可以应对更大的伤口,形成更大的血栓,比如动画里出现的头部肿包,可能就会需要更强大的血小板才能实现止血。
但是动画因为拟人化的表达难免也会有不准确:比如血小板其实只有短短8-11天的“寿命”,而其中更是只有最初的两天才能发挥凝血的功能,所以动画里血小板可能要经常换人了;
同时一个巨核细胞可以产生1000到3000个血小板,所以动画里巨核细胞带领的血小板队伍应该会极为庞大;
在血小板逐渐失去功能时,肝脏和脾脏的吞噬作用就会发挥作用,清除掉已经失去功能的血小板。
现实就是如此的残酷。
凝血因子可不简单
我们再看回动画,又有一幕非常感人的画面:为了抢救飞落的凝血因子,血小板奋不顾身一跃而下要去抢救珍贵的凝血因子。
有着好奇小脑瓜的各位不知道会不会有疑问:这凝血因子具体是个什么东西?真的有这么珍贵吗?凝血因子其实是一大类物质的统称。科学家们很早就意识到,血液凝固需要很多物质的帮助,只是经过了上百年的探究,才总算是还原出了一套“凝血瀑布”的凝血机制。
最关键的12种凝血因子一览 | 图源:生理学第8版所谓“凝血瀑布”其实是一种凝血的级联放大机制:物质A产生了物质B,会促进物质C产生物质D,进而不断促进,使反应往前推进。
最早在1905年,Paul Morawitz 根据以前对于凝血酶和纤维蛋白的研究,就归纳出了一个含有四种凝血因子的“初级凝血瀑布”:凝血素被激化形成凝血酶,凝血酶再催化纤维蛋白原形成纤维蛋白(也就是动画中血小板的那张止血的大网)。
早在20世纪初就归纳出的初级凝血瀑布| 图源:生理学第8版
之后的百年间,科学家们慢慢探寻到了新的凝血因子,将这个“凝血瀑布”的反应过程逐渐细化,凝血的机制也逐渐清晰:
复杂的凝血过程 | 图源:生理学第8版凝血过程中一旦有任何环节出现差错,丢失了某种凝血因子,就可能出大问题。我们熟知的不能正常凝血的血友病,就是8号、9号或者11号凝血因子(FVIII, FIX, FXI)丢失导致的,依次也对应了A、B、C三种血友病类型。
而血小板的作用就是在凝血酶的促进下,增强“凝血瀑布”的规模,进而加强凝血的效果。
现在看回奋不顾身的血小板,你应该也知道凝血因子的重要性了吧?
血小板存活时间短,这么努力让自己成熟,还那么奋不顾身地为你身体止血,而且这么可爱,你又有什么理由不好好爱护自己身体呢?不管怎么说,讲了这么多,我永远喜欢血小板(狗头.jpg)。
参考资料
朱大年, 王庭槐. 生理学.第8版[M]. 人民卫生出版社, 2013.
Machlus K R, Italiano J E. The incredible journey: From megakaryocyte development to platelet formation[J]. Journal of Cell Biology, 2013, 201(6): 785-796.
Thon J N, Italiano J E. Platelet formation[C]//Seminars in hematology. WB Saunders, 2010, 47(3): 220-226.
Schwertz H, Köster S, Kahr W H A, et al. Anucleate platelets generate progeny[J]. Blood, The Journal of the American Society of Hematology, 2010, 115(18): 3801-3809.
林丽莎. 被《工作细胞》刷屏后 你该知道凝血瀑布是什么了吧? . 中国科学院昆明植物研究所 http://www.kib.cas.cn/kxcb/kpwz/201808/t20180809_5054241.html
Douglas S. Coagulation history, Oxford 1951–53[J]. British journal of haematology, 1999, 107(1): 22-32.
本文为澎湃号作者或机构在澎湃新闻上传并发布,仅代表该作者或机构观点,不代表澎湃新闻的观点或立场,澎湃新闻仅提供信息发布平台。申请澎湃号请用电脑访问http://renzheng.thepaper.cn。





- 报料热线: 021-962866
- 报料邮箱: news@thepaper.cn
互联网新闻信息服务许可证:31120170006
增值电信业务经营许可证:沪B2-2017116
© 2014-2026 上海东方报业有限公司




