- +1
国家残疾人冰上运动比赛训练馆无障碍设计策略:用设计传递“关爱”
作者 / 张欣 胡若谷 焦倩茹 李越阳
编者按:5月17日是第30个全国助残日,中国建筑标准设计研究院(简称“标准院”)多年来关注残疾人对于建筑的使用需求、积极探索无障碍设计,在具体实践中取得诸多良好示范作用。标准院项目-国家残疾人冰上运动比赛训练馆从设计之初贯彻“以人为本”的设计理念,注重真正从人的使用需求出发,以求建设一个充分体现人性化的无障碍绿色体育场馆。国家残疾人冰上运动比赛训练馆
2022年冬残奥会赛前比赛训练馆,服务于残疾人冰上项目训练,保障于中国残疾人运动员在奥运会上争夺金牌。
作为全国唯一专项服务于残疾人冰上运动的场馆,将为冬残奥会冰球及冰壶运动队建立一个符合备战集训要求、符合无障碍标准和残疾人冰上项目特点的专业冰上项目训练场馆。
项目概况项目为中国残疾人体育运动管理中心的新建工程,项目建设地点位于北京市顺义区后沙峪镇天北路321号。用地面积18000平方米,总建筑面积31473平方米,由冰球比赛训练馆、轮椅冰壶训练馆和综合楼三部分组成,其中综合楼主要包括体能训练用房、科研及教育用房、医疗及康复用房、餐厅、运动员公寓、地下车库及设备用房。
设计目的场馆的设计出发点在于专门服务残疾人运动员及观众,真正从残疾人运动员和观众的实际需求出发,从场地规划、建筑设计、设施设备、标识系统等不同方面综合考虑符合各类残疾人的训练、参赛、观赛等的不同功能需求,并归纳分析得出各类体育场馆的无障碍设计策略。
需求分析
考虑场馆的服务人群主要分为运动员和观众两大人群,其中运动员包括残奥冰球运动员和轮椅冰壶运动员,观众包括残疾人观众、老年人观众、孕妇观众及其他观众,人群行为包括训练、参赛、观赛和生活。设计需要思考各类人群在使用建筑的不同行为过程中可能会遇到的障碍,考虑有障碍人群对不同空间的使用需求。
无 障 碍 设 计 策 略
作为全国唯一专门服务于残疾人的冰上运动体育场馆,项目需要发挥引领性的作用,不仅要满足一般性的无障碍设计,更需要高于标准的人性化优化设计。
通过对使用人群日常行为的分析,研究人员发生各类行为时的人体尺度和行为模式,思考需要提供无障碍设计的各个方面及优化细节。
从场地规划、空间布局、流线组织、设施设备、标识系统、避险避难六大体系开展设计,总结出通用的无障碍设计策略,以及针对此体育场馆特有的无障碍设计策略,为运动员的训练参赛、生活辅助等打造全面的人性化环境。
»» 通用性无障碍设计策略
停车位
在靠近场地西北侧,临近场馆观众主要入口和主坡道位置,设置2个无障碍停车位与2个孕妇停车位,方便轮椅使用者和孕妇就近停车,以最短路线进入场馆。
使用“N+1”停车位的设计理念,即N车位数+1通道数,为不同停车方向下车的轮椅使用者提供方便。无障碍机动车停车位为蓝色,孕妇停车位为黄色,与普通车位区分,并涂有停车线、轮椅通道线和无障碍标志,配有低位充电桩。
出入口场馆及综合楼的出入口为无障碍平坡出入口,坡度为1:50,并设有遮阴避雨设施,地面平整、防滑。入口门为感应平开门,通行净宽双扇1.8m不设置门槛,以保证轮椅通行。
门底部设置护门板,防止撞击,玻璃门设置对比颜色带,提示视觉弱的使用者。
感应平开门发生感应故障时,也可手动开启,门把手为L形抓杆,把手满足不同人群单手抓握或握拳进行操作,操作面的顶端与地面的距离符合坐姿状态人手可碰到的高度。门完全开启时间和关闭时间各自不小于3s,确保轮椅使用者有足够时间通过。
轮椅坡道场馆的西侧、东侧设置供残疾人观众使用的轮椅坡道;综合楼北侧设置供运动员使用的轮椅坡道,起坡前设置提示盲道。坡面平整、防滑、无反光,设置无障碍标识。
西侧主坡道作为观众主入口,会有大量人群同时进入,该坡道纵向坡度为1:20,轮椅使用者可自行上坡,无需他人帮助;并在坡道两侧设双层扶手。上层高度为900mm,下层高度为700mm,可以同时满足正常人与坐轮椅人的抓握高度需求。
栏杆扶手材质设计为木质,较金属扶手摩擦力更大,且材质温暖,更为舒适。栏杆外挂玻璃栏板为安全玻璃,确保使用人群的安全。所有的扶手下方挡台采用圆角设计,防止尖角对轮椅使用者产生伤害。
电梯 轿门及层门均应为动力驱动的自动水平滑动玻璃门(除消防电梯),这样可以方便看到电梯内部情况,一旦发生危险,外面的人员可清楚看清内部状况。
电梯门应保持5~20s的开启时间,除非使用者操作轿厢内的轿门开关按钮,确保人员安全通行时间。轿厢的三面壁上设高900mm扶手。轿厢内部的设计与安装要避免造成伤害,不存在尖角或凸出物。轿厢内三面采用镜面不锈钢,可将轿厢环境尽收眼底。轮椅进出时,能通过镜面观察周围情况,进退自如。
轿厢操纵盘布置在进入轿厢时的右侧轿壁,主操控盘的轿厢斜对角位置设置残疾人轿厢操纵盘,使残疾人进入轿厢后无需再转身按键。
候梯厅处的呼叫按钮高度为1.00m。按钮上设置盲文标志,且在呼叫按钮下方设有辅助的脚踏式呼叫按钮,可方便手臂残疾的人员用脚来踏按。
卫生间卫生间依使用者的人体形态、行为方式及操作习惯,提供方便起身、移动和施力的空间布局及设施。
卫生间入口无门槛,门旁边设置低位开关按钮。卫生间内包括无障碍坐便器、小便器、洗手盆、镜子、取纸器、U形抓杆、可折叠水平抓杆、安全扶手、脚踏式按钮、多功能台、呼叫按钮、挂衣钩等设施,隔间内部轮椅回转直径为1.50m。
卫生器具设置安全抓杆。对于扶手的抓杆形式,设计研究人体坐姿情况下手臂前伸距离,以及从轮椅到坐便器的动作过程所需要抓握的位置及高度。将传统的L形抓杆进行了优化设计,考虑起身后的抓握,优化为U形抓杆,再转变为更省力的斜U形抓杆。
»»针对场馆的无障碍设计策略双通道&仿真冰面
根据残奥会冰球比赛的流程和运动特征,运动员需乘坐轮椅或使用义肢经过铺设有普通材质地面的走廊到达更衣室,在更衣室内更换冰橇后,前往检录处、场地和替补席,为了冰球运动员乘坐冰橇的通行顺畅,此部分走廊需要铺设仿真冰面,以便冰橇滑行。因此,在运动员更衣室前后设计双侧走廊。
轮椅换乘厅由于冰壶比赛冰面清洁要求较高,经过对国家冰壶队的调研发现,存在生活轮椅与比赛轮椅混用的情况,在进入冰面之前,需要花费很多时间对轮椅进行细致的清洁,效率过低。因此,在运动员入口处加设一个轮椅换乘厅,方便运动员将生活轮椅直接换成比赛轮椅,免除反复清洁的环节,提高比赛训练效率。
运动员休息室
残奥冰球馆与轮椅冰壶馆室内使用不同颜色区分,其内部各个功能区通过不同颜色标识,方便运动员辨识所在位置。
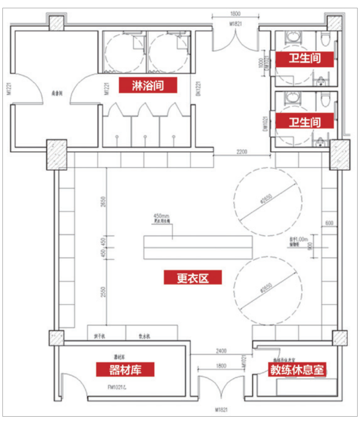
残奥冰球比赛馆运动员休息室每间包括更衣区、无障碍卫生间(2个单间)、普通淋浴间(3个)、无障碍淋浴间(2个隔间)、教练员休息室、器材室及桑拿间;更衣区内部设有直径2.60m的轮椅回转空间。
轮椅冰壶训练馆无障碍运动员休息室每间包括更衣区、无障碍卫生间(2个单间)、无障碍淋浴间(2个隔间)及清洁间;更衣区内部设有直径2.60m的轮椅回转空间。同时,考虑到运动员行动不便,无障碍淋浴间、卫生间等房间减少了门的设置,以门洞口替代。
淋浴间净空间为1 650mm(深)×1 650mm(宽),入口采用活动门帘,浴间内外地坪无高差。淋浴凳为移动式,平时不用时可以收起来放在旁边。坐台一侧设有可垂直90°旋转的水平抓杆。淋浴间设有L形安全抓杆,其垂直部分设在坐台前端。
淋浴控制开关为杠杆式操控,高度1.00m,用紧握的拳头可以操作;设有高温监控或温度调节控制器,淋浴设有一个手持喷头,淋浴软管长度大于1.50m,方便坐姿情况下进行淋浴。
坐台旁距地面180mm高度处设紧急求救按钮,以防滑倒发生危险时可紧急呼救。
观众席冰球馆承载比赛功能,在冰球馆二层四周设置200个无障碍坐席,将比赛球场围绕在中心,分12个区,每个区域配有独立出入口和无障碍卫生间,不与普通观众共用出入口,保证残疾人观众的疏散安全,避免与普通观众造成流线交叉,相互干扰。
观众席的设计在无障碍坐席旁边1:1配了陪同座椅,并且成对布置,可使两个无障碍坐席相邻而坐,方便交流。陪同坐席使用可移动座椅,不需要的时候可以移开,2个陪同坐席移开的宽度可以保证再加1个无障碍坐席,因此可根据现场人员使用情况灵活布置。
同时,考虑到体育建筑瞬时人流较大,行动不便的观众可能难以快速疏散到安全场地。设计提出室外亚安全区概念,即可通过二层的观众厅将人群向四个方向疏散到室外平台,行动不便者可在此区域等待救援。
国家残疾人冰上运动比赛训练馆是集功能复合、绿色生态、科技创新、人文关怀、开放共享为一体的专项体育场馆,同时又是残疾人体育精神的归宿所在。设计创作过程中,充分考虑残疾人体育的发展趋势,突出人性化无障碍设计,为国家冰上项目队备战冬残奥会提供更好的保障,成为展示我国残疾人事业发展的重要窗口。
来源:微信公号“中国建筑设计研究院”,刊发时间:2020-05-17
原标题:《全国助残日|国家残疾人冰上运动比赛训练馆无障碍设计策略 用设计传递“关爱”》
本文为澎湃号作者或机构在澎湃新闻上传并发布,仅代表该作者或机构观点,不代表澎湃新闻的观点或立场,澎湃新闻仅提供信息发布平台。申请澎湃号请用电脑访问http://renzheng.thepaper.cn。





- 报料热线: 021-962866
- 报料邮箱: news@thepaper.cn
互联网新闻信息服务许可证:31120170006
增值电信业务经营许可证:沪B2-2017116
© 2014-2026 上海东方报业有限公司




