- +1
意识到底是如何产生的?能通过技术手段进行读取吗?

导语
“意识到底是如何产生的?能通过技术手段进行读取吗?”关于这个问题,作者更多地会展示各种主流理论,而非给出一个答案。
研究领域:意识科学,自指,整合信息论
章彦博 | 作者
邓一雪 | 编辑
与其他几位朋友的回答不同,我更多的会展示各种主流理论,而非给出一个答案。
关于意识的研究,传统上常常研究意识与大脑活动的相关性。例如,比较一个人清醒和昏迷时大脑活动的差别。但是,这种研究无法区分因果——这些活动是产生意识的原因,还是产生意识的结果?
因此,近年来有一批「意识理论」涌现出来。与传统方法不同,意识理论直接从理论出发,给出意识出现的条件,或者意识的定义。他们主要想解决两个问题(或者之一):如何判断意识的有无;以及区分意识状态之间的差别。
近日Nature Neuroscience发表了一篇综述[1],比较全面地概览了各种意识理论。本文也会按照篇文章的分类,大体介绍四种意识理论:更高层次理论(Higher-order theory),全局工作空间理论(Global workspace theories),整合信息论(Integrated information theory),以及再入与预测加工理论(Re-entry and predictive processing theories)。这几个理论中,我比较熟悉的只有整合信息论,所以会相对多介绍一点它的细节,以及个人的评价。
1. 难问题
意识是一个困难的问题,事实上,哲学中直接就有一个专门的词:「意识的难题」(Hard problem of consciousness)。在1714年,微积分的发明者之一——莱布尼兹出版了他的哲学著作《单子论》(La Monadologie),其中提到了一个思想实验:
必须承认,仅仅靠机械的运动、数值,是无法解释知觉的存在的。想象一个机械装置,我们不知它有无知觉。因此,我们将自己缩小,走进其中,可以看清机器运行的所有细节、过程,也可以理解过程背后的力学原理。甚至,我们还能预测机械将如何运转。
然而,这一切似乎都与这机器的知觉无关。观测到的现象,与知觉之间,似乎总有一个天堑一般,总是无法相互勾连。
这便是「莱布尼兹之堑」(Leibniz's gap)。开篇时我曾说道,「我更多地会展示各种主流理论,而非给出一个答案」。为什么不给出答案呢,就是因为这个问题太过困难,以至于目前还没有一个定论。按照莱布尼兹的思想实验,想要知道一个系统是否有意识,就得成为那个系统。
似乎无解。
2. 分类
对付这类看似无解的问题,我们常用的一个手段就是分类:把问题拆分,看看哪部分是可以解决的、哪部分是难以解决的,以及哪部分是不可能解决的。

意识虽然整体上是一个困难的问题,但其中仍然可以进一步划分。关于意识相关的功能、行为,是比较简单的部分;而关于体验、经验这类主观判断的部分,则是困难的部分。举例来说,全局工作空间理论(GWT)主要是将「存在一个公共记忆空间」和意识联系起来了。而整合信息论则讨论了不同体验的差别在哪里。
3. 更高层次理论
更高层次理论(Higher-order theory[2])认为,如果一个精神状态被其表示所指代,这个精神状态就是有意识的。举例来说,如果我现在看着手机屏幕,我的视觉区会有屏幕的低层次特征(形状、颜色)。而我的前额叶则会有更高层次的表征,例如「手机」这个词汇,它不光指向物理上的手机,也指向了我视觉区的那些特征。那么,前额叶中「手机的概念」,就是低层次特征的「抽象表示态」(meta-representational state)。用论文中的图示,就是下面这个样子的:

在这种「指向」的过程中,有一种特殊的情形,就是自指:自己指向自己。看起来非常玄学,但我们每天都会这么做。例如,我现在就知道我在写文章。那么,具体的「写文章」是一个状态,它涉及了具体的词句,但是,「写文章」这个词又指向了写文章这件事。这就是一种自指。
更高层次理论似乎没有进一步探讨意识产生的具体物理过程,特别是微观层面的物理过程。事实上,目前主流的意识理论都没有讨论这个问题。
我知道会有人用安德森的名言「More is different」[3]为此辩护。但若细究安德森的论文,其中所说的其实是:
微观规则的对称性,不一定会体现在宏观层面上。
而微观上如果不存在意识,很难用More is different的说辞去辩护——这完全就是无中生有。复杂系统的「涌现」常常看起来也像是无中生有,但这基本都是因为我们无法理解大规模物体的复杂运动导致的——我们不理解的,便称之为「无」,然后说「无中生有」。
但遗憾的是,目前我们可能必须要忍受这种割裂。其实莱布尼兹也已经用他的「莱布尼兹之堑」表达了类似的观点。在这里,这个问题就此打住,后文之中也将此暂时悬置不论。
4. 全局工作间理论
全局工作空间理论也是类似的路径——有此功能,有此过程,便有意识。全局工作空间理论认为,意识来自于那些全局可用的认知过程。我们可以拿「注意力」来举例:
全局工作空间理论认为,注意力在选择并放大特定的信号[4],并让其进入全局工作空间。这样就可以调动全脑的功能,来处理一件任务。因此,我们注意的东西,常常就是我们意识到的东西。
全局工作空间认为负责这部分任务的脑区在顶额叶,也有实验表明,顶额叶如果受损,会导致全局的意识丧失。

全局工作空间理论的关键在于「全局」。如何定义全局?是根据对象、数量,还是根据信息如何广播出去的?这些问题仍然存在争论。就如我在开头所说,现在还难以给出「意识是什么」的答案。
5. 再入与预测加工理论
关于意识的实验,有一个非常著名的「双眼竞争实验」:给左右眼看到不同的画面(例如左眼看到房子,右眼看到钢笔),我们可以通过自己的意念,「让」自己稳定地感受到不同的东西。
这种控制是如何产生的?我们的体验又是如何变得稳定的(不会轻易地跳到另一个感受上)。预测加工理论给出了解释:大脑中不光存在自下而上的过程,还存在自上而下的过程。拿视觉为例,自下而上就是从视神经开始,逐渐把信号抽象,变成概念;自上而下则是相反:大脑在预测之后的输入,并试图降低预测的误差,是一种再入。

回到「双眼竞争实验」,当我决定我看到的是房子的时候,右眼看到的钢笔就变成了误差,是需要被消除的。由此,我的决定(预测)影响了我的感知,并压制了钢笔的信号。
预测加工理论并非为意识而生,但却能解释很多意识现象。与此同时,它甚至能和机器学习联系起来,例如可以解释学习过程[5],或是与梯度下降联系起来[6]。进一步地,如果这种自顶向下的预测存在延时、或者存在循环,就会出现「预测下一时刻的自己」的问题——自指产生了,「更高层次」也产生了,这样就和「更高层次理论」联系了起来。
6. 整合信息论
整合信息论[7]与前面的几个理论都不一样,他的野心非常大:他试图从公理出发,像几何学一样,推演出意识理论的大厦。初读到这里时,我简直像是发现了一个宝藏。然而,我对其了解的越多,失望也就越多。

整合信息论提出了四大公理[8]:
1. 真实:意识体验是真实的;
2. 信息:意识是包含信息的。即便闭上眼睛,什么也看不到,这份黑暗仍然是包含信息的——因为它排除了其他的可能性;
3. 整合:意识是整合的,是一体的,是不可拆分的。例如,「看到桌子上的苹果的体验」不等于「看到桌子的体验」+「看到苹果的体验」;也不等于画面左边的体验+画面右边的体验。
4. 独一:任意时刻,我们的意识只有一个。不会存在两个意识共存、叠加的情况。
这几个公理中,最重要的就是信息和整合两个部分。
先暂时不谈信息,要度量整合,一个非常聪明的办法就是将系统切割。如果能找到一种切割方式,使得系统不受任何影响,那这个系统就是不整合的。举个例子,找到两个陌生人,在它们之间的空气中切割一刀,两个人受到的影响几乎忽略不计。因此两人是不整合的。而如果在情侣之间切割,可以想见,其受到的影响会稍微大一点,但这种影响仍然比不上对人脑的任意切割。
因此,整合信息论所能包含的系统非常广泛。不只是生物系统,一个ETC闸门也是有微弱意识的——将传感器与闸门切割,它的因果信息会受到损失。在各种不同的切割中,最小的损失也是大于零的。因此,整合信息论认为:ETC闸门也是有意识的。
整合信息论用一个符号Φ代表系统的整合信息,论文中虽然没有明说,但是却在处处暗示:Φ就是在度量意识水平。整合信息论的结构极为繁复,如果总结出一个公式,就是下面的样子:
找到一个切割方式c,使得被切割之后的系统sc所损失的信息最小。
而在这里,他们专门开发了一种新的信息度量方法:因果信息。在IIT 2.0之前,因果信息的度量非常优雅——使用因果科学中的do操作,计算「已知一个状态」和「不知此状态」导致的分布差异的K-L散度。这种度量可以看作一种特殊的互信息,即状态转移矩阵的互信息(而非联合分布的互信息)。
有意思的是,在IIT 3.0之中,它们将K-L散度换成了modified earth mover distance,即修改过了的推土距离。且不说这里的修改是否合适,这里已经暴露出了整合信息论的一个弱点:它并非如几何学那般精密。从公理得到的理论,也并非浑然天成,而是处处彰显着理论提出者自己的意愿。
拥有个人风格并非坏事,但缺乏限制常常带来问题。一个常见的后果,就是在数学上不自洽。在IIT 3.0理论中,有一步会要选择一个信息损失最小化的切割(独一性公理)。但IIT理论没有回答如果存在多个损失一致情形下的解决方案。事实上,如果去看他们的代码[9],就会发现这一步是完全随机的[10][11]。而不同的选择,得到的Φ天差地别。
另一个问题则是IIT研究的尺度:计算Phi的尺度到底是神经级别,还是脑区级别,或者,更为极端地,原子级别?这是一个非常重要的问题,因为这涉及到实验——IIT的实验只考虑了脑区级别的模型,但他们没有论证这里的粗粒化方法是否合理,因此,IIT得到的一个重要结论:意识起源于小脑,也是值得怀疑的。
这些当然不能判IIT死刑,因为他的公理基础仍然是比较牢固的。但是,他们至少也应该后退几步,向着公理体系这一原点后退几步,尝试使用更严谨的数学。
另一个比较偏个人的吐槽,是计算Φ巨大的时间复杂度。我自己的估算,其复杂度大概是O(N!)级别,一个系统大小超过10,基本就没法计算了。一方面,这是技术上的困难——人脑的神经元远远大于10;另一方面,我认为也是科学上的问题:如果计算它所需要的时间如此巨大,那我们还能确认自己有意识吗?意识需要通过这种繁复的运算才能被感知到吗?
7. 「哲学僵尸」与目的论
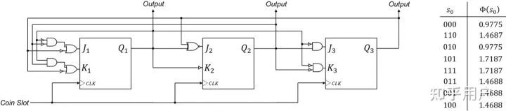
回到闸门的例子上,一个简洁的闸门,可以画成这样的电路图[10]:

在这个结构中,系统的不同状态都有比较高的Φ,换句话说,整合信息论认为它具有意识。
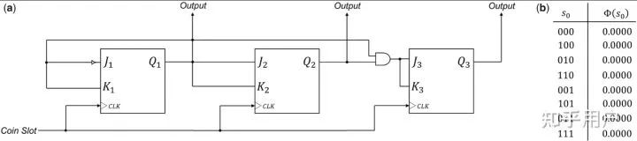
然而,如果我们把电路做一些修改,保持原先的功能不变,变成这样:

得到的Φ就全都是0了——它没有意识。
这是非常有意思的现象:即便功能一样,不同的物理结构,就会带来不同的意识水平。按照IIT理论,前馈神经网络的Φ=0,而RNN则大于零。关键在于是否存在回路(这一点与再入理论很像,但这是IIT理论的推论,而非出发点)。
「ETC闸门有意识」并不是一个笑话,同样地,「保持功能不变,更改一下物理结构,意识就消失了」,在我看来也不是一个需要嘲笑的东西。但它引出了一个重要的问题:我们为何进化出了意识?
要探讨这个问题,我们需要了解「哲学僵尸」的概念:
哲学僵尸(英语:Philosophical zombie,或称p-zombie),又译哲学丧尸,是精神哲学上的假设存在物。假设这个世界上存在一种人,外观与物理组成都与一般人类无异,但是他没有意识经验、感质或感情。举例而言,哲学僵尸在撞上尖锐物品时,在外在上与一般正常人类相同,可以看到他的皮肤出现伤口,测量他的神经讯号,也可以测量到疼痛讯号的出现,会出现疼痛的表情,发出叫声,会向其他人表示自己正在疼痛。但是他的内在心灵中,没有疼痛的意识。
简单来说,哲学僵尸的外表与人无异,但却没有意识(哲学僵尸可以通过镜子实验,一来镜子实验测试的是自我意识,而非意识;二来,哲学僵尸在外在看来与人完全一样),没有体验。事实上,Krohn-Rhodes定理证明,任何有限状态机,都可以被前馈结构所替代,功能完全一致[12]。
如果我们接受IIT理论的一些推论,或是其他任意理论,我们都可以问出一个问题:为了自己活下去,繁育后代,其他的大脑结构也可以,为何我们就进化出了意识呢?
或者更简短地说:我们为何拥有意识?拥有意识体验有什么好处?
主流的意识理论似乎都没有正面的回答。
8. 结语
我在这里介绍了几种主流的意识理论,在一些人看来,好像我们对意识已经完全了解,甚至可以动手计算了;在另一些人看来,似乎什么都没说——「意识乃是至高至玄之物,非我等凡人可窥之堂奥」。但我恰恰就是要反对这两种观点:我们没有完美的意识理论,但也不是完全不能下手。
我们在将来会有一个完善的意识理论吗?我表示谨慎乐观。从乐观的方面看,我们应该会发现一种理论,能够解释、预言各种意识体验;从谨慎的角度看,由于「莱布尼兹之堑」的存在,通过观测似乎永远无法跨越客观与主观、实验与体验。
最后,做个不负责任的判断:自指可能是解决意识的一把钥匙,因为它几乎可以和上述的所有理论联系起来。
对于更高层次理论来说,泛函动力学的实验[13]说明:自指映射可以自然地涌现出符号,即更高层次理论中所说的「元表示」;
对于全局工作空间来说,同样是泛函动力学:自指映射可以自发的把功能和数据拆分开,这与全局空间对应了起来;
对于整合信息理论,自我指涉,本身就是一种回路,有很大希望得到一个比较高的Phi;
而对于再入与预测加工理论,关系则更为密切:如果一个系统要预测其自身,就需要对自身建立一个抽象的模型,如此,自指便自然产生了。
更进一步,很多人混淆的「自我意识」,也能包含在自指的框架之内。但这些都是一些方向性的猜想,还没有坚实的实验。
参考文献
Seth, A.K., Bayne, T. Theories of consciousness. Nat Rev Neurosci (2022). https://doi.org/10.1038/s41583-022-00587-4 https://www.nature.com/articles/s41583-022-00587-4
又被翻译成意识的高阶理论,个人以为不妥
Anderson, P. W. “More Is Different: Broken Symmetry and the Nature of the Hierarchical Structure of Science.” Science 177, no. 4047 (August 4, 1972): 393–96. https://doi.org/10.1126/science.177.4047.393.
这一点很像机器学习中的注意力机制,但机器学习中很少主动构造一个全局工作空间
Luczak, Artur, Bruce L. McNaughton, and Yoshimasa Kubo. “Neurons Learn by Predicting Future Activity.” Nature Machine Intelligence 4, no. 1 (January 2022): 62–72. https://doi.org/10.1038/s42256-021-00430-y
Millidge, Beren, Alexander Tschantz, and Christopher L. Buckley. "Predictive coding approximates backprop along arbitrary computation graphs." Neural Computation 34.6 (2022): 1329-1368. https://direct.mit.edu/neco/article-abstract/34/6/1329/110646/Predictive-Coding-Approximates-Backprop-Along
Oizumi, Masafumi, Larissa Albantakis, and Giulio Tononi. “From the Phenomenology to the Mechanisms of Consciousness: Integrated Information Theory 3.0.” Edited by Olaf Sporns. PLoS Computational Biology 10, no. 5 (May 8, 2014): e1003588. https://doi.org/10.1371/journal.pcbi.1003588
IIT理论非常有意思——它有1.0、2.0、3.0版本。不同版本的公理还有所差别。这里引用的是IIT 3.0的公理
PyPhi - Github https://github.com/wmayner/pyphi
abHanson, J. R., & Walker, S. I. (2021). Formalizing falsification for theories of consciousness across computational hierarchies. Neuroscience of Consciousness, 2021(2), niab014.
Hanson, J. R., & Walker, S. I. (2021). On the non-uniqueness problem in integrated information theory. BioRxiv.
Krohn K, Rhodes J. Algebraic theory of machines. I. prime decomposition theorem for finite semigroups and machines. Trans Am Math Soc 1965;116:450–64.
Naoto Kataoka and Kunihiko Kaneko. “Functional Dynamics. I: Articulation Process.” Physica D: Nonlinear Phenomena 138, no. 3–4 (April 2000): 225–50. https://doi.org/10.1016/S0167-2789(99)00230-4.
(参考文献可上下滑动查看)
经作者授权转载自知乎:
https://www.zhihu.com/question/532951714/answer/2506283467
因果涌现读书会第二季招募中
跨尺度、跨层次的涌现是复杂系统研究的关键问题,生命起源和意识起源这两座仰之弥高的大山是其代表。而因果涌现理论、机器学习重整化技术、自指动力学等近年来新兴的理论与工具,有望破解复杂系统的涌现规律。同时,新兴的因果表示学习、量子因果等领域也将为因果涌现研究注入新鲜血液。
由北京师范大学教授、集智俱乐部创始人张江和加州大学圣地亚哥分校助理教授尤亦庄等人发起的,将组织对本话题感兴趣的朋友,深入研读相关文献,激发科研灵感。本读书会自2022年5月22日开始,每周日晚19:00举办,预计持续7-8周。欢迎感兴趣的朋友报名参与。
原标题:《意识到底是如何产生的?能通过技术手段进行读取吗?》
本文为澎湃号作者或机构在澎湃新闻上传并发布,仅代表该作者或机构观点,不代表澎湃新闻的观点或立场,澎湃新闻仅提供信息发布平台。申请澎湃号请用电脑访问http://renzheng.thepaper.cn。





- 报料热线: 021-962866
- 报料邮箱: news@thepaper.cn
互联网新闻信息服务许可证:31120170006
增值电信业务经营许可证:沪B2-2017116
© 2014-2026 上海东方报业有限公司




