- +1
三尺水管,如何“管”出无尘工地?(内附图纸)
尘土飞扬,机器轰鸣,这大概是人们印象中传统建筑工地的场景。但在“三苏故里”四川省眉山市,工地里车来车往,却不见扬尘,场内遍布的三尺水管,连接上高杆喷淋、车载喷淋等“小发明”,实现扬尘管控实用又划算的目标。
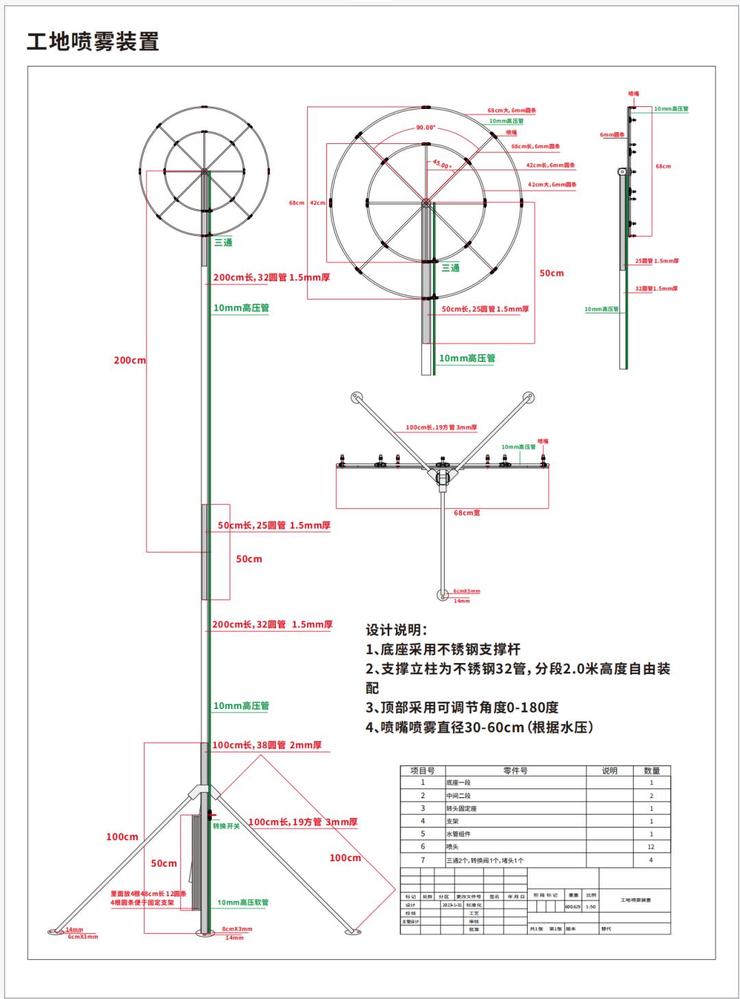
图为“高杆喷淋装置”。以三脚架为载体,通过高压管将水吸入后,经喷嘴喷出形成喷雾,达到抑尘的效果。让生态环境高水平保护和经济高质量发展同频共振,在眉山市,这并非一句空话。眉山市坚持科技创新、精准治污,有效助力城市高质量发展。
2023年第一季度,眉山市大气污染防治取得全国重点城市排名上升、优良天数改善幅度省内第一,PM2.5在四川省15个重点城市改善幅度第一的好成绩。近日,眉山市创新建筑工地扬尘污染治理的先进经验,在省内得以推广。
进退两难,传统抑尘方式投入大、见效低
眉山市以打造“一心三地”为目标,大力推动城市快速发展。眉山市住房和城乡建设局党组成员、副局长白仲华告诉记者,眉山市在建工程项目一度多达500余个,由于建筑工地的特殊性,只要进行施工作业,扬尘就无法避免地漫天飞舞。
“晴天一身灰,雨天一身泥”,由于大面积的施工作业,导致眉山市PM2.5和PM10持续上升。如何有效落实扬尘防控,成了保障城市“气质”稳定的核心问题之一。
为解决这一难题,眉山市要求所有工地严格落实出入车辆冲洗制度,实现车辆“不带泥上路”;工地周边围挡、物料堆放覆盖、路面硬化、拆迁工地“湿法”作业、渣土车辆密闭运输务必做到100%,不符合标准的则要面临停工整治和处罚。
但对于企业来说,即使投入了大量的人力、物力、财力,抑尘效果仍不明显。
眉山市太和片区生态水系连通及配套基础设施建设项目负责人王毅向记者介绍,工地常用的抑尘设备为雾炮机,单台价格约3000元以上,每天要耗水1400L,耗电为24千瓦时,设备不仅成本高,固定好后就难以移动,且抑尘面积也十分有限,这让他们进退两难。
“湿法作业”,三脚架喷淋让抑尘更灵活
“处罚不是目的,一停了之更不可取。”白仲华说,大气污染防治、项目建设规范有要求,施工企业也有诉求,要将这些诉求有机结合起来,最为有效的方法就是对防尘设施设备进行改良。
在眉山市生态环境局、住建局考核倒逼、创建引领的推动下,王毅和同事对工地抑尘设备开启了技术研究攻关,在他们看来,“湿法作业”是抑尘最有效的措施。但现有的雾炮机灵活度不够,如何让它“动”起来是关键。
雾炮机难以移动,但雾炮机喷出来的水却是可以流动的,那让雾炮机换成可以灵活挪移的“水管”不就行了吗?
抑尘核心其实在于对水的有效利用。王毅和同事一拍即合,开始对工地进行改进。将围挡和动土区域铺设水管,在需要抑尘的地方,立上一个简易的三脚架,通过高压管将水吸入后经喷嘴喷出形成喷雾达到抑尘的效果。
“高杆喷淋装置”装置图“三脚架不仅便宜,而且可高可低,布点灵活,喷雾覆盖范围大、降尘效果突出。”王毅介绍,他们将这套设置命名为“高杆喷淋装置”。
此外,他们还发现,挖掘机在挖土时,引发的扬尘最大。常规防治措施为一台挖掘机配备一台雾炮机,不仅成本高、噪声也大。他们同样想到了“水管”,在挖掘机臂上安上水管和喷嘴,实现挖掘同步除尘,实验下来,较传统“一机一炮”湿法作业效率更高、操作更便捷,他们将其称为“非道路移动机械喷淋系统”。
为解决挖掘机在挖土时引发的扬尘问题,眉山市太和片区生态水系连通及配套基础设施建设项目负责人王毅及同事研发了“非道路移动机械喷淋系统”。小“水管”起了大作用。王毅和同事算了一笔账,施工机械车载喷淋单套价格约1100元,无需另接电源、利用机械电源同步启动,日均耗水量800L;高杆喷淋单台价格约400元,通过接入围挡喷淋系统,无需另接电源和水箱,日均耗水量320L。相较于传统雾炮机,两项创新抑尘设备可节约成本约60%、降低能耗约50%以上。目前,两项技术已在眉山市130余个工地推广应用,并正在申请国家实用新型专利。
图为“非道路移动机械喷淋系统”示意图。无需另接电源、利用机械电源同步启动,日均耗水量约800L,湿法作业效率更高。“气质”改善,精准治理助力绿色发展
白天,眉山市城高楼林立,在蓝天白云、青水绿岸的衬托下,显得活力澎湃;入夜,人们走出户外开启精彩的夜生活,优美的环境让人舒适爽快。
眉山市生态环境局党组成员、副局长许政告诉记者,截至6月14日,眉山市空气质量呈总体改善趋势,在全国168个重点城市中排名第80位,同比改善11位;在四川省15个重点城市中排名第11位,同比上升4位;PM2.5浓度为43微克/立方米,同比改善4.4%;优良天数127天,在四川省内重点城市中排第7位,同比上升7位。
眉山市以扬尘创新治理为契机,探索推行“绿色环保工地”的评选,实现了环保标准不降、项目建设不停、经济效益不减。对评选上“绿色环保工地”的项目纳入重污染天气应急保障清单,实施差异化管理,有力保障重大项目、民生工程顺利推进。目前,眉山已评审通过绿色环保工地19个。
工地扬尘治理是眉山市以“东坡故里、品质眉山”为目标,实施精准治污、科学治污、依法治污的一个缩影片段,也是眉山市大力推进生态环境基层治理创新的一次有效实践。
如今,眉山市已完善大气污染防治工作“四梁八柱”的体制机制,编制印发了工业领域大气污染防治3年行动计划,正在编制大气污染防治总体减排3年计划。着力推进工业源整治提升、移动源结构调整、扬尘源智慧监管“标本兼治”,坚持节能减排绿色发展,整治生态环境问题,推进生态保护修复,完善治理体系,让生态环境保护和高质量绿色发展开启新篇章。
往期推荐
原标题:《三尺水管,如何“管”出无尘工地?(内附图纸)》
本文为澎湃号作者或机构在澎湃新闻上传并发布,仅代表该作者或机构观点,不代表澎湃新闻的观点或立场,澎湃新闻仅提供信息发布平台。申请澎湃号请用电脑访问http://renzheng.thepaper.cn。





- 报料热线: 021-962866
- 报料邮箱: news@thepaper.cn
互联网新闻信息服务许可证:31120170006
增值电信业务经营许可证:沪B2-2017116
© 2014-2026 上海东方报业有限公司




