- +1
安全千万条,防火第一条!请正确操作船舶固定式CO2灭火系统
案例警示
船舶消防设施除了水灭火系统和移动式灭火器材外,固定式二氧化碳(以下简称“CO2”)灭火系统因其灭火剂对人体低毒性、灭火效率高、对设备低损害性和成本经济性而得到了广泛的应用。虽然CO2灭火系统在船舶消防方面取得一些成效,但在实际应用中因操作不当导致其效能失灵的情形也层出不穷。
重点关注
典型案例
原因分析
相关法律法规规定
安全管理建议
常见的船舶机舱固定式CO2灭火系统正确操作要点
典型案例
典型案例1

2019年5月25日,“A”轮在山东荣成船厂维修期间,因三副意外操作致使大量CO2释放至机舱,事故造成10人窒息死亡,19人受伤,构成重大生产安全责任事故。典型案例2

2022年9月4日1539时左右,“B”轮从钦州驶往日照途中,途经泉州水域时受CO2灭火系统保护的机舱发生火灾事故,造成主机部件及机器电器控制箱等部分损坏,构成一般等级(小)水上交通事故。船舶应急处置期间,船长组织施放机舱CO2未按公司体系文件要求关闭锅炉间防火门和通风筒,造成CO2未起到应有的灭火效果。典型案例3
2023年3月30日0250时许,“C”轮载运热拌用沥青再生剂4440.5吨从大连驶往潮州途中,在泉州崇武角东南方约6海里处(概位:24°48'.8N/119°04'.3E),受CO2灭火系统保护的锅炉间发生火灾,造成船上相关设备损坏,构成一般等级水上交通事故。船舶应急处置期间,相关船员无法及时施放锅炉间CO2,船长在下令施放CO2后,亦未核实CO2的实际灭火效果,造成CO2系统未起到应有作用。
原因分析
经查,上述事故均与船员对固定式CO2灭火系统的正确有效使用有关。

1. 船员聘用公司把控不足航运公司在招聘船员时,仅看船员是否持有有效的适任证书,未要求海机务部门对船员是否具有真正的适任能力进行有效评估,特别是在招聘船长时,仅对其持证和任职情况进行考察,未对其关于消防指挥等应急处置能力方面进行全面评估。
2. 船员未认真开展岗前培训
在交接班时,新聘船员仅对所管设备进行清点,交班人员未向接班人员现场详细讲解所管的固定式CO2灭火系统的原理、具体布置情况、操作流程以及操作注意事项,更没有对其开展的岗前培训效果进行评估。
3. 船员未有效开展应急训练
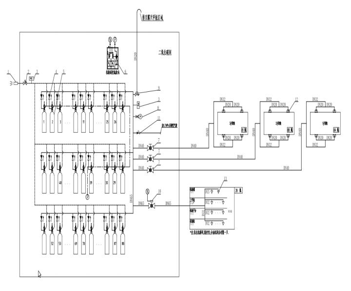
船长对船上的应急训练不够重视,尤其是对固定式CO2灭火系统的释放操作未进行足够有效的模拟训练,未按照船舶《二氧化碳间布置图》《二氧化碳灭火系统原理图》《设备操作规程》等开展全面详细的现场实操讲解。
4. 岸基人员未有效开展跟踪监控
航运公司岸基管理人员仅收集船舶培训和应急演练记录,未对船员关于固定式CO2灭火系统操作培训效果、应急演练时是否开展固定式CO2灭火系统培训等全过程实质性进行控制,在登轮检查时也未对实操培训效果进行评估。
相关法律法规规定
1
中华人民共和国海上交通安全法
第十三条 中国籍船员和海上设施上的工作人员应当接受海上交通安全以及相应岗位的专业教育、培训。
中国籍船员应当依照有关船员管理的法律、行政法规的规定向海事管理机构申请取得船员适任证书,并取得健康证明。
2
中华人民共和国船员条例
第十六条 船员在船工作期间,应当符合下列要求:(四)参加船舶应急训练、演习,按照船舶应急部署的要求,落实各项应急预防措施;
3
《国内航行海船法定检验技术规则2020》第四篇第2-2
1.24.1 船员应接受培训,熟悉船上的布置和可能需要使用的任何灭火系统和设备的位置及操作,还应包括紧急逃生呼吸装置的使用训练。
1.24.2 每位船员,应通过开展船上培训和演习对其履职职责的能力进行评估,并加以改进,以确保其灭火技能的适应能力。此外,应确保灭火小组处于就绪状态。
1.24.3 船员上岗前应接受职责范围内所使用船上灭火系统和灭火设备的船上培训。
安全管理建议
航运公司、船舶应汲取事故教训,确保事故发生时船舶相关人员能正确有效使用船舶固定式CO2灭火系统,以最大限度减少事故造成的损失。
01
完善操作须知
公司安全管理体系文件应涵盖固定式CO2灭火系统等关键性设备操作流程,应充分考虑《固定式二氧化碳系统布置图》《二氧化碳灭火系统原理图》和厂家提供的《二氧化碳系统操作说明书》等有关要求,制定符合所管船舶实际的CO2灭火系统操作须知,并在实际操作过程中不断完善须知文件的可操作性。

左右滑动查看更多02
严把船员招聘
在船员招聘时,公司不仅要核实船员持证情况,还要对船员管理能力、工作业绩、组织能力、决策能力、应急处置能力进行全方位严格考察,特别是应对消防应急的适任能力进行评估,在船长聘用时还应对其有关消防应急指挥资格进行确认,确保聘用的船员满足岗位适任的要求。
03
落实职责熟悉
公司应督促新聘船长在任职前,完全熟悉本船固定式二氧化碳系统的原理、布置情况、操作流程;新聘的其他高级船员在任职前,船长或者部门长应详细对接班船员开展对固定式二氧化碳系统的原理和操作流程进行熟悉,培训完成后船长或部门长应对接班船员进行严格的考核和评估。
04
做好应急训练
消防设备主管人员应根据本船配备的固定式二氧化碳系统的相关资料对本船的《训练手册》进行全面修改。船长、大副和消防设备主管人员应定期对本船的固定式CO2灭火系统开展实操训练,完全掌握系统原理、系统布置情况、操作流程、报警装置等知识;航运公司岸基管理应对船员训练情况实时跟踪,可视情通过远程视频等方式对培训效果进行评估。
05
加强维护保养
船舶应根据相关法定技术规则要求和设备说明书制定本轮固定式CO2灭火系统维护保养计划,相应设备主管船员应按照保养计划做好系统的全面维护保养,公司和船舶主管应对维护保养效果进行监控,确保设备随时可用。公司相应管理人员应时时关注固定式CO2灭火系统检验证书的有效期,提前向第三方检测机构申请固定式CO2灭火系统检测,确保证书有效。
常见的船舶机舱固定式
CO2灭火系统正确操作要点

1. 船长及负责现场操作的责任船员包括替代人员(一般是驾驶员)应熟悉系统各设备的实际布置并熟练掌握操作程序。2. 责任船员应采取主副机停车、切断机舱风、油、电、压缩空气及关闭油柜出口阀等措施。
3. 应对机舱进行密封,及时关闭天窗、大烟囱内的小天窗、通风筒、蝴蝶门等,确认机舱内无人后关闭机舱进出口门、管弄和地轴弄门、应急通道门等。
4. 现场清点在船人员确保机舱无人。
5. 施放CO2前开启声光报警三分钟。
6. 再次检查CO2灭火系统各相关设备无误后释放CO2。
二氧化碳灭火系统使用后的注意事项:责任船员应及时检查已使用二氧化碳的数量,必须在抵港后更换新瓶或重新充填灭火剂。对大型二氧化碳灭火装置应按“船舶关键设备及技术系统定期检查和检测须知”的要求对设备进行认真检查,尤其注意火场二氧化碳管道和喷嘴,确保其重新处于良好的技术状况,检查情况列入事故报告,并记入航海日志。
原标题:《安全千万条,防火第一条!请正确操作船舶固定式CO2灭火系统》
本文为澎湃号作者或机构在澎湃新闻上传并发布,仅代表该作者或机构观点,不代表澎湃新闻的观点或立场,澎湃新闻仅提供信息发布平台。申请澎湃号请用电脑访问http://renzheng.thepaper.cn。





- 报料热线: 021-962866
- 报料邮箱: news@thepaper.cn
互联网新闻信息服务许可证:31120170006
增值电信业务经营许可证:沪B2-2017116
© 2014-2026 上海东方报业有限公司




