- +1
“还真没注意到这玻璃窗户......”
A-60防火窗是一种专为耐火性能设计的特殊窗户,其卓越性能可在火灾发生时,有效抵御高温与火焰侵袭,从而控制火势的扩散,为船员提供了关键的逃生与救援时机。
近期,海事执法人员在对辖区内的液货船进行安全检查时发现多起液货船面向货物区域的生活区(非驾驶台)A-60防火窗存在异常,无法起到防火效果。本期整理了两起典型案例以作警示,希望各航运公司和广大船员引以为戒,提升对A-60防火窗在航运安全中重要性的认识,确保航行安全。
典型案例
案例一
面向货物处所的生活区(非驾驶台)A-60防火窗内耐火胶缺失超过10%,无法满足“A-60”级标准。
2024年1月,海事执法人员对徐圩港区一巴拿马籍液化石油气船舶“SIL***”轮开展港口国监督检查时,发现面向货物处所的生活区(非驾驶台)A-60防火窗内耐火胶缺失超过10%,无法满足“A-60”级标准。经进一步检查,发现共计五扇防火窗不符合公约要求。检查后,结合其他四项重大缺陷,执法人员对该轮采取滞留措施。


案例二面向货物处所的生活区(非驾驶台)窗户无法满足“A-60”级标准,窗框为可燃材料,窗框周围无防火分割材料。
2023年6月,海事执法人员对徐圩港区一外籍液化石油气船舶“EC***”轮开展港口国监督检查时,发现面向货物处所的生活区(非驾驶台)窗户无法满足“A-60”级标准,经进一步检查,发现窗框为可燃材料,窗框周围无防火分割材料,且船舶无法提供防火窗船用产品证书,严重不符合公约要求,执法人员采取滞留措施并追究船级社责任。
液货船是专门运载液态货物的船舶,一旦发生事故,极有可能对船员、船岸工作人员及附近居民的生命财产安全构成巨大威胁。因此国际公约对此类船舶的各项规定比对普通货船更为严格。为让船员朋友们进一步认识了解A-60防火窗,一起来学习该方面的知识吧~
公约要求
SOLAS公约II-2章第4.5.2条液货船限界面开口的限制
载运闪点低于60℃货物的液货船面向货物区域和在规定的限制范围内的上层建筑及甲板室侧壁上的窗和舷窗应为永闭(不能开启)型。这种窗和舷窗应按“A-60”级标准建造,但驾驶室的窗除外。
解读:液货船生活区面向货物处所的舱壁外部,包括舱壁上安装的窗户,应采取措施使得隔热要求符合“A-60”级。从以上案例图片中可以看到,案例一防火窗玻璃中间的填充物为胶状防火物质,如果10%以上的缺失则表明窗户出现破损或密封出现瑕疵导致耐火胶流失,会影响到窗户的耐火性能。案例二防火窗非“A-60”级,且在船试验窗框胶条能受热迅速融化燃烧,窗框周围钢板没有敷设防火分隔材料。
A-60防火窗特点
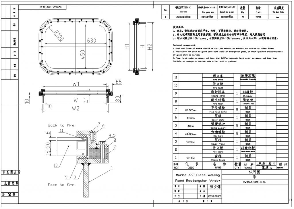
1、A-60防火窗主要由主窗框、防火板、压框、防火玻璃、耐火纤维、密封胶条、压板、锁紧装置和防火胶(液)构成。
2、防火玻璃由两层钢化玻璃及夹在中间的防火胶构成,其中一层钢化玻璃要比另一层钢化玻璃厚。3、A-60防火窗需通过耐火试验,并取得船级社的船用产品证书。
小贴士
安检人员应重点关注载运危化品船舶,助力防范化解船载危险货物运输安全风险,提升船载危险货物运输本质安全水平。
危化品货主(码头)应提高安全生产意识,坚持选用船舶安全技术条件好、管理规范的船舶承运货物。
液货船航运公司应当督促所属船舶严格遵守安全管理体系,按照公司体系文件规定,定期对防火装置进行检查,及时排查和治理船舶存在的安全隐患。
液货船船员要加强自我学习培训,充分掌握液货船特殊结构要求,一旦发现问题要及时与船长、公司沟通。
原标题:《“还真没注意到这玻璃窗户......”》
本文为澎湃号作者或机构在澎湃新闻上传并发布,仅代表该作者或机构观点,不代表澎湃新闻的观点或立场,澎湃新闻仅提供信息发布平台。申请澎湃号请用电脑访问http://renzheng.thepaper.cn。





- 报料热线: 021-962866
- 报料邮箱: news@thepaper.cn
互联网新闻信息服务许可证:31120170006
增值电信业务经营许可证:沪B2-2017116
© 2014-2026 上海东方报业有限公司




