- +1
几十块和几千块的枕头,到底有什么区别?挑对枕头要看这些→
原创 科学边角料 科普中国
昨晚,你睡好了吗?今天是 3 月 21 日——世界睡眠日。
研究表明,良好的睡眠,除了有助于养精蓄锐、保护认知、巩固记忆,还能有效清除大脑产生的各种“垃圾”。
但是据统计,中国人的失眠发生率已经超过 38%。所以,对一些人来说,睡个好觉并不是一件容易的事情。影响睡眠的因素有很多,睡前是不是玩手机、有没有剧烈运动,以及床垫、被子、枕头有没有选对。
市面上枕头有几十块的,也有几千块的,到底怎么选呢?今天,我们就从“头”说起,教大家挑选一个合适的枕头。
为什么要枕枕头?
虽然有些人睡觉的时可能不喜欢枕枕头,觉得这是最“贴近自然”的睡觉方法,但只要枕头合适,它确实能够帮助提高睡眠质量。
枕头是睡觉时候重要的支撑工具,枕头最重要的作用就是支撑头颈部的重量、保持头颈部的生理曲度、放松颈部肌肉和减轻颈椎间盘的压力。
其中,保持头部生理曲度可能比较抽象。简单的说,就是要确保耳朵与肩膀在一条直线上,下巴与胸骨在一条直线上。
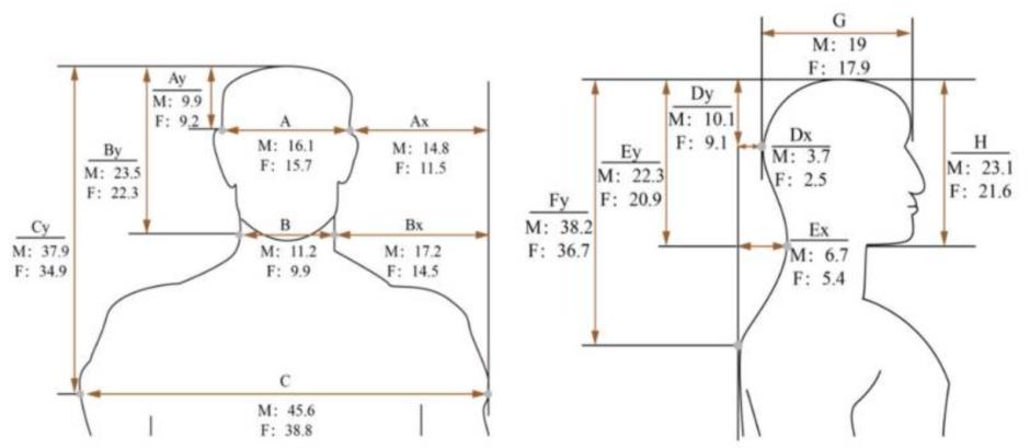
我们可以通过一个图来理解。大概就是让头和身体保持在下图这样的状态。
图上的数据是针对中国人的研究,对我们也更具考价值(图片来源:Cai D.等,2016)如果枕头选得不合适,比如枕头太高,可能会对颈部、头部产生过大的压力;如果太低,则可能不能提供足够的支撑。
这些情况,都会使得肌肉不能充分放松,引起颈痛、头痛,从而影响睡眠质量。由此看出,枕头的高度,对睡眠质量的影响非常大。
高枕无忧?
我们挑选枕头的时候,最重要、最直观的参数,就是枕头的高度了。虽然俗话说,高枕无忧,但枕头肯定不是越高越好,那究竟该怎么选呢?
图库版权图片,转载使用可能引发版权纠纷首先需要说明一下,判断枕头的高度是否合适,最靠谱的方法是测量枕头和脖子、头部、肩膀间的接触压力。
但这对普通人来说不太现实,我们没有条件也不可能去对每个枕头做这样的测试,因此我们需要一些更“简单粗暴”,但有实操价值的判断方法。
对于不同的性别的人来说,枕头的最适高度也并不一样。另外,不同的睡姿,最适合的枕头高度也不相同,侧卧位和仰卧位的最适宜枕头高度可能会相差 10 厘米,对枕头来说,这个差距非常大了。
所以,在选择枕头的时候一定要根据自己的性别和习惯睡姿进行挑选。
仰着睡怎么选枕头?
针对枕头高度的研究很多,在这里,我们选择一项针对中国人的研究来帮大家选枕头。
2012 年发表的一项研究,针对中国男性、女性以及侧卧和仰卧的睡姿给出了比较适合的枕头高度建议。
首先,我们看看喜欢仰着睡的人群,应该如何挑选枕头。
在仰着睡的时候,我们的背部靠着床,如果颈椎想要保持前面提到的正常生理曲度,头、脖子就处于悬空的状态了。所以枕头需要填充的是脖子到床、头到床中间的空隙,为身体提供支撑。
对于女性来说,仰面躺着的时候,在脖子到床中间的空隙大约是 3 厘米,而后脑勺和床中间的间隙比较小,一般只有 1~2 厘米。
男性在仰面躺着的时候,脖子到床中间的空隙大约是 4~5 厘米,而后脑勺和床中间的空隙大约有 3~4 厘米。
所以,根据这篇文章的研究结果,对于喜欢仰着睡的人群来说,枕头都不用太高。
女性的枕头在 3 厘米左右就差不多了,男性的枕头一般不需要超过 4 厘米。
当然,每个枕头的柔软程度不同,而且床垫的软硬程度也不一样,头到床之间的空隙可能会有些差异。再加上每个人会有自己的习惯,有些人可能会更习惯枕高一些。
所以,这些数据只是提供一个参考,但总体来说,仰着睡的人不推荐枕太高的枕头。
侧着睡怎么选枕头?
如果是侧着睡,情况就不一样了。
侧着睡的时候,我们的肩膀抵在床上,所以枕头需要填充的空间是脖子到肩膀最外侧的距离,以及头(耳朵部位)到肩膀最外侧的距离。这个距离比较宽,所以侧着睡需要选择的枕头高度也比仰着睡要高,一般能高出 10 厘米左右。
比如,对于女性来说,侧着睡的时候头到床垫的间距大约是 12 厘米,脖子到床垫间的距离大约是 14 厘米。而对男性来说,枕头需要填充的头到床垫的间距大约是 14 厘米,脖子到床垫间的距离大约是 15~16 厘米。
所以,习惯侧着睡的人在买枕头的时候,可以选择更高的枕头,高度至少在 12 厘米以上。
当然,有一些枕头专门设计成了 U 型结构,中间适合仰着睡,两边适合侧着睡。
比如下面图片中就是 Chen HL 等人在 2012 年发表的文章中设计的 U 型枕头,市面上也有很多类似的设计。
适合男性的枕头设计
适合女性的枕头设计。图片均来自文献:Chen HL.等,2012所以,U 型枕头对于睡姿不固定的人来说,是可以考虑的。但对于睡姿非常固定的人群,倒是没有必要选择这种枕头了。
顺便说一下,很少有专门针对喜欢趴着睡的人群的研究数据,因为一般不建议趴着睡,趴着睡可能会增加背部的肌肉负担。
但如果真的是不趴着睡睡不着,那选择枕头的时候尽量选择低一些的,这样能让颈椎尽可能地接近正常生理曲度。
枕头填充材料和形状
虽然枕头高度是选择枕头最重要的因素,但市面上有许多种类的材料,有羽绒枕头、记忆枕头、乳胶枕等等。
在挑选枕头的时候,也可以根据自己的睡姿,来选择合适的填充材料。
如果喜欢侧着睡,尽量不要选羽绒枕头这样柔软的枕头,否则可能起不到足够的支撑效果。
相比之下记忆枕或者是荞麦枕、决明子枕头之类比较硬的枕头可能更合适(当然,荞麦枕、决明子枕这样的枕芯可能会非常难清理,这一点也需要考虑到)。
如果喜欢仰着睡,可以选择稍微软一些的枕头,像羽绒枕、乳胶枕这样比较软或者比较低的记忆枕也是可以考虑的。
另外,材料还会影响到一个重要的因素——睡觉时候的头部温度。
研究表明,睡眠时候枕头的温度对睡眠质量影响很大,选择能够降温透气的材料,能够改善睡眠质量。
2011 年的一项研究,调查了 30 名受试者对不同枕头(以及它们的组合)的睡眠主观感受,结果发现,所有人对摇篮枕(下图中的 B 枕头)的主观感受都很差。
可能是因为这种形状的枕头不利于散热,会影响睡眠。所以在选择枕头的时候,也应该尽量避开这样的枕头。
图片来源:Lee YL,等,2011而 2014 年的一项研究发现,记忆枕的对头部的散热效果比一般的羽绒枕头要好。所以,在枕头高度相同的前提下,也可以优先选择记忆枕。
小结:
在此还是需要说明一下,每个人的身体、习惯都会有一些不同,我们不需要恪守某个具体的数值,但是对于枕头的选取,我们可以综合得出以下规律:
喜欢仰着睡的:尽量选择低一些的枕头,可以选择 5 厘米以下的。
喜欢侧着睡的:可以选择高一些,在 10 厘米以上的枕头。
女性一般要选更低一些的枕头,男性可以选择稍微高一些的枕头。
在高度相同的情况下,尽量选择透气性好的枕头。
当然了,因为枕头对睡眠的影响很大,即便是同样材料的枕头,软硬度、支撑效果可能都会有差异。
所以要是条件允许,还是建议去实体店试用一下再购买。如果是网购来的枕头先别着急洗,最好试一下再做决定。
最后,祝大家有一个好睡眠!
第八届
“大众喜爱的阅读新媒体号”开始投票啦!!!
快点击文末左下角“阅读原文”
给“科普中国”投上一票吧!
↓↓↓

感谢您对科普中国的每一次支持!!!参考文献
[1] Zhang F.M., Chen J.W., Du F.Q., Xu H.J. Correlation between sleep quality and anxiety and depression of college students. Chin. J. Prev. Control Chronic Dis. 2013;21:574–575.
[2] 《2022中国国民健康睡眠白皮书》
[3] Di Cagno A., Minganti C., Quaranta F., Pistone E.M., Fagnani F., Fiorilli G., Giombini A. Effectiveness of a new cervical pillow on pain and sleep quality in recreational athletes with chronic mechanical neck pain: A preliminary comparative study. J. Sports Med. Phys. Fit. 2017;57:1154–1161.
[4]Her J.G., Ko D.H., Woo J.H., Choi Y.E. Development and comparative evaluation of new shapes of pillows. J. Phys. Ther. Sci. 2014;26:377–380.
[5] Cai D., Chen H.-L. Ergonomic approach for pillow concept design. Appl. Ergon. 2016;52:142–150.
[6] Gordon, Grimmer-Somers & Trott (2011) Gordon SJ, Grimmer-Somers KA, Trott PH. A randomized, comparative trial: does pillow type alter cervico-thoracic spinal posture when side lying? Journal of Multidisciplinary Healthcare. 2011;4:321–327.
[7] Chen HL, Cai D. Body dimension measurements for pillow design for Taiwanese. Work. 2012;41 Suppl 1:1288-95.
[8]https://www.mayoclinic.org/zh-hans/diseases-conditions/back-pain/multimedia/sleeping-positions/sls-20076452?s=3
[9] Kawabata A., Tokura H. Effects of two kinds of pillow on thermoregulatory responses during night sleep. Appl Human Sci. 1996;15(4):155–159.
[10] Lee YL, Liang JC. Shape design of an optimal comfortable pillow based on the analytic hierarchy process method. J Chiropr Med. 2011 Dec;10(4):229-39.
[11]Jeon MY, Jeong H, Lee S, Choi W, Park JH, Tak SJ, Choi DH, Yim J. Improving the quality of sleep with an optimal pillow: a randomized, comparative study. Tohoku J Exp Med. 2014 Jul;233(3):183-8.
策划制作
作者丨科学边角料
审核丨高超 中国疾病预防控制中心营养与健康所副研究员
原标题:《几十块和几千块的枕头,到底有什么区别?挑对枕头要看这些→》
本文为澎湃号作者或机构在澎湃新闻上传并发布,仅代表该作者或机构观点,不代表澎湃新闻的观点或立场,澎湃新闻仅提供信息发布平台。申请澎湃号请用电脑访问http://renzheng.thepaper.cn。





- 报料热线: 021-962866
- 报料邮箱: news@thepaper.cn
互联网新闻信息服务许可证:31120170006
增值电信业务经营许可证:沪B2-2017116
© 2014-2026 上海东方报业有限公司




